pri davani zadneho kolesa dole sa ono nechce pustit osky
Moderátor: Moderators
- THeBaNDiT
- moderátor

- Príspevky: 6299
- Dátum registrácie: Ut Aug 08, 2006 8:23 am
- Skúter: je už minulosť
- Bydlisko: Bardejov
- Kontaktovať užívateľa:
pri davani zadneho kolesa dole sa ono nechce pustit osky
Pisem za brata (shobull), vcera sme boli v presovskej Yamahe za ucelom prezutia oboch kolies na jeho Xcitingu XC300i. Predne koleso - ziaden problem, zhodene, prezute, vyvazene, nahodene - avsak zadne koleso problem je. Mechanik ho totiz ani s pouzitim sily nedokazal dat dole. Tisichran na oske a tisichran na kolese sa do seba zahrdzaveli. Vid foto v prilohach. Skusal pouzit nejaky sprej na odhrdzavenie (predpokladam), skusal to nahrievat teplovzdusnou pistolou... nempomohlo, a problem je aj v tom, ze nema na koleso akym sposobom tlacit a do disku nemoze klepat, pretoze je to zliatina, ktora by mohla puknut...
Nechali sme im XC tam s tym, ze tam este nastriekaju ten pripravok proti hrdzi a nechaju posobit (dnes je 1. maja, teda volno) a potom skusia, pripadne skusia vyrobit nejaky stahovak, pretoze ten najvacsi, ktory maju, neoblapi brzdovy kotuc...
Riesenim by vraj mohlo byt nahriat horakom dane miesto do cervena a potom to stiahnut, ale taky horak oni v servise nemaju...
Mate niekto nejake napady resp. skusenosti?
Foto fotene smartfonom (SGS2), zrkadlovku som vynimocne nebral...
Nechali sme im XC tam s tym, ze tam este nastriekaju ten pripravok proti hrdzi a nechaju posobit (dnes je 1. maja, teda volno) a potom skusia, pripadne skusia vyrobit nejaky stahovak, pretoze ten najvacsi, ktory maju, neoblapi brzdovy kotuc...
Riesenim by vraj mohlo byt nahriat horakom dane miesto do cervena a potom to stiahnut, ale taky horak oni v servise nemaju...
Mate niekto nejake napady resp. skusenosti?
Foto fotene smartfonom (SGS2), zrkadlovku som vynimocne nebral...
- Prílohy
-
- 2013-04-30 16.47.36.jpg
- (194.25 KiB) 409 stiahnutí
-
- 2013-04-30 17.08.57.jpg
- (203.58 KiB) 409 stiahnutí
-
- 2013-04-30 17.09.52.jpg
- (189.19 KiB) 409 stiahnutí
-
- 2013-04-30 17.09.52.jpg orez 1k1.jpg
- (193.5 KiB) 409 stiahnutí
- Luthar
- motorkár

- Príspevky: 1992
- Dátum registrácie: Ut Aug 03, 2010 11:11 pm
- Skúter: Derbi GP1i 250
- Bydlisko: Bratislava
Re: pri davani zadneho kolesa dole sa ono nechce pustit osky
Fuuha pekne sa to tam "zvarilo" zaujimave aku ma ten xc tu osku tenku :-O
Sent from my iPhone 5 using Tapatalk
Sent from my iPhone 5 using Tapatalk
- VLADY
- spammer

- Príspevky: 10675
- Dátum registrácie: St Apr 12, 2006 4:38 pm
- Skúter: A ja mám lepší...a väčší...Burger...400vku...
- Bydlisko: Najväčšia Slovenská dedina
Re: pri davani zadneho kolesa dole sa ono nechce pustit osky
Z horákom opatrne a do červena už vôbec nie.Lebo ten matroš je tepelne zušlachtený, tak aby to nebolo viac na škodu že to nejak vyhrejú a oska zmäkne alebo tak dačo. A nahrievať len kolesovú časť a nie osku, nakoľko teplo rozťahuje.V robote ak sa sťahujú remenice alebo alebo vrtule z hriadela na elektromotoroch, tak horákom áno ale len tak do cca 200-250°C ..... A skúsil by som najprv aj brzdovú kvapavku. Lebo je na takéto veci lepšia a agresívnejšia jak tisíc všelijakých superdrahých sprejov. Len je sviňa na farbu. Tak pozor na to. Namotať nejaký pás handrový okolo závitu pri tom kolese a nakvapkať brzdovku aby netiekla a ostala nasiaknutá. A nechať cez noc. A možno trocha pobúchať , len zas ja viem je to blbo lebo prístup žiaden, trieskať tiež moc nie lebo ložiská ....To je tak , keď sa to pri skladaní vo fabrike nemázne vazelínom a zloží len tak nasucho.......Ja som takto mal pakáreň na Doktorovom, ale tam nešlo dať dole len pomocné rameno, bolo zakúsnuté ložisko na oske.....Napokon sa dajako zadarilo. Asi po hodine špekulovania a všelijaké sťahovacie šrouby a búchania cez drevené klátiky. No ale toto je brutálne zahrdzavené...To sú tie jazdy za mokra a prípadne v zime a pod....a potom šup do vlhkej studenej garáže a nemá to kedy a ako uschnúť...Prípadne ma napadlo nahodiť nazad pomocné rameno, nedoťahovať nafest maticu na oske, ale nechať milimeter vôlu a ísť pojazdiť najlepšie v náklone nech to má tendenciu sa vyvaklať . Možno by topomohlo skorej jak tam trieskať kladivom a nahrievať to....
Moje príspevky zvyčajne vyjadrujú: Mój nazor skromny...osobny!
A ak neviem poradiť-tak Vás aspoň popletiem.
A ak neviem poradiť-tak Vás aspoň popletiem.
-
Bacil-BA
- motorkár

- Príspevky: 1835
- Dátum registrácie: So Jan 28, 2006 12:59 am
- Skúter: Už zasa žiadny
- Bydlisko: BA- Ružinov, Hotel Bratislava
Re: pri davani zadneho kolesa dole sa ono nechce pustit osky
Alebo dať dolu brzdový kotúč, namiesto toho dať nejaký plný disk, alebo kríž s maticou a skrutkou v strede a použiť to ako sťahovák. Za mierneho pootáčania stredovou skrutkou a trvalého poklepávania zo všetkých strán to postupne rozviklať.
Tak už zasa nič.
- VLADY
- spammer

- Príspevky: 10675
- Dátum registrácie: St Apr 12, 2006 4:38 pm
- Skúter: A ja mám lepší...a väčší...Burger...400vku...
- Bydlisko: Najväčšia Slovenská dedina
Re: pri davani zadneho kolesa dole sa ono nechce pustit osky
Tiež ma napadlo dať dole brzdový kotúč obkresliť podla neho do potrebne velkej a aspoň nejakej 5-6 mm hrubej platne diery na uchytenie, a dať šrouby o cca 1-2 cm dlhšie aby pretŕčali a dali sa na ne ešte natočiť aj matice a šroby nadoraz do dier po kotúči a následne ťahať kolomdokolom matice doradu ....postupne ...a občas mu jednu strúhnuť kladivom po prostriedku tej platne ...a samozrejme na osku natočiť maticu aby keď sa náhodou troška roztlačí závit na konci ho matica zas dala do šroubovateľného stavu.
Moje príspevky zvyčajne vyjadrujú: Mój nazor skromny...osobny!
A ak neviem poradiť-tak Vás aspoň popletiem.
A ak neviem poradiť-tak Vás aspoň popletiem.
- THeBaNDiT
- moderátor

- Príspevky: 6299
- Dátum registrácie: Ut Aug 08, 2006 8:23 am
- Skúter: je už minulosť
- Bydlisko: Bardejov
- Kontaktovať užívateľa:
Re: pri davani zadneho kolesa dole sa ono nechce pustit osky
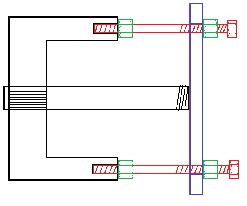
VLADY, takto nejako? (vid priloha) Len celkom nerozumiem, co myslis pod pojmom "ked sa nahodou troska roztlaci zavit na konci"
Na nakrese su pre zjednodusenost dve skrutky, inac ich je samozrejme 5. Vnutorne zelene matice by boli len na zafixovanie (mozno by ani neboli potrebne) a utahovali by sa vonkajsie zelene matice postupne jedna po druhej pekne dokolecka a ako pises, priebezne buch po strede platne... podla mna by to mohlo fungovat... cervene skrutky by mali zavit zrejme po celej dlzke, no nechcelo sa mi ho kreslit...
Na nakrese su pre zjednodusenost dve skrutky, inac ich je samozrejme 5. Vnutorne zelene matice by boli len na zafixovanie (mozno by ani neboli potrebne) a utahovali by sa vonkajsie zelene matice postupne jedna po druhej pekne dokolecka a ako pises, priebezne buch po strede platne... podla mna by to mohlo fungovat... cervene skrutky by mali zavit zrejme po celej dlzke, no nechcelo sa mi ho kreslit...
- Prílohy
-
- navrh stahovaka na 5 skrutiek.jpg
- (53.81 KiB) 325 stiahnutí
- VLADY
- spammer

- Príspevky: 10675
- Dátum registrácie: St Apr 12, 2006 4:38 pm
- Skúter: A ja mám lepší...a väčší...Burger...400vku...
- Bydlisko: Najväčšia Slovenská dedina
Re: pri davani zadneho kolesa dole sa ono nechce pustit osky
Presne si to pochopil....teraz neviem či tak dobre píšem alebo Ty tak dobre chápeš???
Asi oboje...
...a jak som myslel že závit na konci osky by sa mohol troška roztlačiť??? Ono sa to stáva ak sa dačo takéto robí, že tým búchaním po oske alebo teda po tej platni sa môže stať že sa priemer konca troška zväčší a mohlo by sa stať že ak sa tam bude vo finále nakrúcať matica a zaisťovať koleso po výmene tej pneumatiky,že tam nepôjde alebo pôjde nejak moc ťažko, prípadne cez závit a pod . Samozrejme lepšie je taký závit opraviť závitovým očkom, a tým ho prerezať nanovo ten koniec toho závitu. Ale to asi má málokto doma lebo je to za prvé jemný závit a za druhé bežne sa také dačo nezvykne držať doma len tak že aby som mal pre istotu. Sám mám doma len bežne používané metrické od cca M2,5 do M8 a potom možno dačo že M10x1. A tak sa to zvykne riešiť tou maticou. Nieje to ideálne riešenie ale zvykne pomôcť.A je to jednoduchšie jak ten koniec pižlať ihlovým pilníčkom a robiť tam troška úpravy by sa tam tá matica dala nakrútiť.
...a jak som myslel že závit na konci osky by sa mohol troška roztlačiť??? Ono sa to stáva ak sa dačo takéto robí, že tým búchaním po oske alebo teda po tej platni sa môže stať že sa priemer konca troška zväčší a mohlo by sa stať že ak sa tam bude vo finále nakrúcať matica a zaisťovať koleso po výmene tej pneumatiky,že tam nepôjde alebo pôjde nejak moc ťažko, prípadne cez závit a pod . Samozrejme lepšie je taký závit opraviť závitovým očkom, a tým ho prerezať nanovo ten koniec toho závitu. Ale to asi má málokto doma lebo je to za prvé jemný závit a za druhé bežne sa také dačo nezvykne držať doma len tak že aby som mal pre istotu. Sám mám doma len bežne používané metrické od cca M2,5 do M8 a potom možno dačo že M10x1. A tak sa to zvykne riešiť tou maticou. Nieje to ideálne riešenie ale zvykne pomôcť.A je to jednoduchšie jak ten koniec pižlať ihlovým pilníčkom a robiť tam troška úpravy by sa tam tá matica dala nakrútiť.
Moje príspevky zvyčajne vyjadrujú: Mój nazor skromny...osobny!
A ak neviem poradiť-tak Vás aspoň popletiem.
A ak neviem poradiť-tak Vás aspoň popletiem.
- THeBaNDiT
- moderátor

- Príspevky: 6299
- Dátum registrácie: Ut Aug 08, 2006 8:23 am
- Skúter: je už minulosť
- Bydlisko: Bardejov
- Kontaktovať užívateľa:
Re: pri davani zadneho kolesa dole sa ono nechce pustit osky
aha, ok, chapem... takze i maticu na koniec osky, istota je tazka strelna zbran 
- rspeed
- motorkár

- Príspevky: 1643
- Dátum registrácie: So Aug 11, 2007 1:11 pm
- Skúter: Hyena(motor minarelli)+ Gilera Runner ST 125+ Suzuki GSR 600
- Bydlisko: Čaňa
Re: pri davani zadneho kolesa dole sa ono nechce pustit osky
... je kopec sprejov na povolenie srub - bezne ak neviem nieco povolit tak to vecer nastriekam popripade obtocim papierom a nastriekam a do rana to povoli ... nahrievanie skusam az ako poslednu moznost ....
- THeBaNDiT
- moderátor

- Príspevky: 6299
- Dátum registrácie: Ut Aug 08, 2006 8:23 am
- Skúter: je už minulosť
- Bydlisko: Bardejov
- Kontaktovať užívateľa:
Re: pri davani zadneho kolesa dole sa ono nechce pustit osky
vraj to este v utorok nastriekali a nechali posobit celu volnu stredu... a dnes s tym nepohli ani za mak, tak to bratovi poskladali do povodneho stavu a XC je momentalne doma s neprezutou zadnou gumou (ale nejaky ten dezen na nej este je, len je uz tak trosku hranata)
ale ten VLADYho (resp. Bacilov) navod sa javi byt dobra sanca na uvolnenie...
ale ten VLADYho (resp. Bacilov) navod sa javi byt dobra sanca na uvolnenie...
- Wasi
- st. skútrista

- Príspevky: 540
- Dátum registrácie: Po Mar 05, 2012 6:10 am
- Skúter: Jawa 353, Vespa GTS300
- Bydlisko: Banská Bystrica
Re: pri davani zadneho kolesa dole sa ono nechce pustit osky
Ja by som to skusil ako pisal Vlady: povolit namazat a pojazdit, aj na autach je to osvedcena a pritom jednoducha metoda.
Trafis 3 jamy co nieje problem a je vystarano
...Zavitovou skrutkou so standardnym stupanim pochybujem ze dosiahnes taku silu.
Trafis 3 jamy co nieje problem a je vystarano
- VLADY
- spammer

- Príspevky: 10675
- Dátum registrácie: St Apr 12, 2006 4:38 pm
- Skúter: A ja mám lepší...a väčší...Burger...400vku...
- Bydlisko: Najväčšia Slovenská dedina
Re: pri davani zadneho kolesa dole sa ono nechce pustit osky
Je ich tam síce 5 po obvode...ale náhoda je blbec čo ak jednu poškodí respektíve závit v náboji a bude zas problém s uchytením kotúča.Treba to ťahať ozaj s citom.
Moje príspevky zvyčajne vyjadrujú: Mój nazor skromny...osobny!
A ak neviem poradiť-tak Vás aspoň popletiem.
A ak neviem poradiť-tak Vás aspoň popletiem.
- pitlo
- st. skútrista

- Príspevky: 487
- Dátum registrácie: Pi Apr 04, 2008 11:09 pm
- Skúter: plechovkar
- Bydlisko: Košice
- Kontaktovať užívateľa:
Re: pri davani zadneho kolesa dole sa ono nechce pustit osky
Tiež som to nevedel dať dole, ale uvolňovací sprej pomohol. Aj trochu toho klopkania.
-
Bacil-BA
- motorkár

- Príspevky: 1835
- Dátum registrácie: So Jan 28, 2006 12:59 am
- Skúter: Už zasa žiadny
- Bydlisko: BA- Ružinov, Hotel Bratislava
Re: pri davani zadneho kolesa dole sa ono nechce pustit osky
Ako sa to vyvíja? Alebo už vyvinulo?
Tak už zasa nič.
- VLADY
- spammer

- Príspevky: 10675
- Dátum registrácie: St Apr 12, 2006 4:38 pm
- Skúter: A ja mám lepší...a väčší...Burger...400vku...
- Bydlisko: Najväčšia Slovenská dedina
Re: pri davani zadneho kolesa dole sa ono nechce pustit osky
Ono zas, prezuť ručne by sa to mohlo dať aj bez demontáže kolesa .... 
Moje príspevky zvyčajne vyjadrujú: Mój nazor skromny...osobny!
A ak neviem poradiť-tak Vás aspoň popletiem.
A ak neviem poradiť-tak Vás aspoň popletiem.
- THeBaNDiT
- moderátor

- Príspevky: 6299
- Dátum registrácie: Ut Aug 08, 2006 8:23 am
- Skúter: je už minulosť
- Bydlisko: Bardejov
- Kontaktovať užívateľa:
Re: pri davani zadneho kolesa dole sa ono nechce pustit osky
aktualne tak, ze brat si bol pre XC v servise, kedze sa im tam nepodarilo dat koleso dole, tak mu to poskladali pekne nazad... takze vymenena iba predna guma zatial, zadna je este stale prevadzkyschopna (ku kontrolnym bodom jej este stale nieco chyba)
Mame v rodine zrucneho stryka kutila, ktoremu uz preslo rukami nemalo techniky, tak ten sa na to doma vo svojej dielni pozrie... ale zatial je XC doma v garazi.
@ VLADY: presne toto bratovi tiez napadlo... staru gumu pripadne i rozrezat a novu nahodit nejakym starsim sposobom... no to je len taka posledna nudzovka, pretoze to koleso sa potom bude zahrdzievat do seba i nadalej. Idealne je dat to nejako dole, ocistit od hrdze a navazelinovat/zakonzervovat... pneu prezut a nasledne i vyvazit.
Mame v rodine zrucneho stryka kutila, ktoremu uz preslo rukami nemalo techniky, tak ten sa na to doma vo svojej dielni pozrie... ale zatial je XC doma v garazi.
@ VLADY: presne toto bratovi tiez napadlo... staru gumu pripadne i rozrezat a novu nahodit nejakym starsim sposobom... no to je len taka posledna nudzovka, pretoze to koleso sa potom bude zahrdzievat do seba i nadalej. Idealne je dat to nejako dole, ocistit od hrdze a navazelinovat/zakonzervovat... pneu prezut a nasledne i vyvazit.
- Bobo
- st. skútrista

- Príspevky: 573
- Dátum registrácie: Št Máj 03, 2007 2:29 pm
- Skúter: BMW R 1200 RT
- Bydlisko: MA (teda skôr okolie)
Re: pri davani zadneho kolesa dole sa ono nechce pustit osky
Podľa mňa netreba robiť kadejaké pokusy, ale jednoducho nastriekať sprejom na povolenie hrdze (napr. je veľmi dobrý sprej od KIMTECu, existuje aj podchladzovací sprej na hrdzu), nechať aspoň cez noc pôsobiť, povoziť sa a potom jemne klepkať a pomaly ťahať. Koleso zaprieť o stenu napr cez nejaké drevené špalky a s citom udierať cez matku najlepšie cez nejakú podložku (napr. bronz) na osku. Keď bude XC na hlavnom stojane, tak na ložiská nepôjdu nejaké veľké rázy, ktoré by ich mohli poškodiť, lebo celý motor s ramenom je chytený na rám cez gumenné silentbloky. Chce to len trochu citu, nebáť sa a trpezlivosť. Niečo podobné som absolvoval na XC aj ja, len s tým rozdielom, že som nemohol dať dole rameno zo strany fucku.
KYMCO XC 250, SUZUKI Burgman 650, BMW R 1200 RT
- THeBaNDiT
- moderátor

- Príspevky: 6299
- Dátum registrácie: Ut Aug 08, 2006 8:23 am
- Skúter: je už minulosť
- Bydlisko: Bardejov
- Kontaktovať užívateľa:
Re: pri davani zadneho kolesa dole sa ono nechce pustit osky
jo, rameno zo strany vyfuku slo vraj tiez dost tazko, no napokon sa dalo ukecat... 
- Bobo
- st. skútrista

- Príspevky: 573
- Dátum registrácie: Št Máj 03, 2007 2:29 pm
- Skúter: BMW R 1200 RT
- Bydlisko: MA (teda skôr okolie)
Re: pri davani zadneho kolesa dole sa ono nechce pustit osky
No a keď sa to podarí dať dole, tak nezabudnúť pri spätnej montáži namazať. Ja som použil medený sprej a bolo po probléme. Ak nie je, stačí aj zľahka grafitkou alebo lithiovým sprejom.
KYMCO XC 250, SUZUKI Burgman 650, BMW R 1200 RT
- VLADY
- spammer

- Príspevky: 10675
- Dátum registrácie: St Apr 12, 2006 4:38 pm
- Skúter: A ja mám lepší...a väčší...Burger...400vku...
- Bydlisko: Najväčšia Slovenská dedina
Re: pri davani zadneho kolesa dole sa ono nechce pustit osky
A hlavne pokefovať ak sa dá aj z vnútra tie drážky aspoň zubnou kefkou, ak už nieje po ruke ocelový kartáčik taký , aby sa tam zmestil . A aby to bolo čo najčistejšie. Aj tú časť osky ,na ktorej je ložisko pomocného ramena treba jemnúčko prebehnúť šmirglom nejakou 100vkou aby sa troška ubralo a išlo to ľahko založiť aj dať dole nabudúce a tiež zľahka premáznuť vazelínom apod.Toto sú veci ktoré vo fabrike nikto nerieši pri skladaní a následne je potom problém pri prvej demontáži skoro na každom jednom scootri to takto býva...
Tak jak napríklad aj bývajú prihrdzavené disky na autách po zime na stredovom centrovacom otvore.Tiež som tak raz dával dole predné kolesá, že povoliť šrouby o otáčku a ísť sa povoziť okolo domu...Lebo čo by to koho napadlo dať tam troška mastiča ešte pred zimou ?
Tak jak napríklad aj bývajú prihrdzavené disky na autách po zime na stredovom centrovacom otvore.Tiež som tak raz dával dole predné kolesá, že povoliť šrouby o otáčku a ísť sa povoziť okolo domu...Lebo čo by to koho napadlo dať tam troška mastiča ešte pred zimou ?
Moje príspevky zvyčajne vyjadrujú: Mój nazor skromny...osobny!
A ak neviem poradiť-tak Vás aspoň popletiem.
A ak neviem poradiť-tak Vás aspoň popletiem.
- THeBaNDiT
- moderátor

- Príspevky: 6299
- Dátum registrácie: Ut Aug 08, 2006 8:23 am
- Skúter: je už minulosť
- Bydlisko: Bardejov
- Kontaktovať užívateľa:
Re: pri davani zadneho kolesa dole sa ono nechce pustit osky
akurat ze ono je to uz druha vymena zadnej pneu, prvu vymenu stihol este predosly majitel (ondris, ak dobre pamatam)
- mucow
- motorkár

- Príspevky: 1711
- Dátum registrácie: Št Aug 19, 2010 9:13 am
- Skúter: Aprilia Leonardo 150; Suzuki DR 600 S
- Bydlisko: Jaklovce okr.Gelnica
- Kontaktovať užívateľa:
Re: pri davani zadneho kolesa dole sa ono nechce pustit osky
Na takéto nedostupné miesta ja používam drátenku na riad.VLADY napísal:A hlavne pokefovať ak sa dá aj z vnútra tie drážky aspoň zubnou kefkou, ak už nieje po ruke ocelový kartáčik taký , aby sa tam zmestil . ?
Spoiler: ukázať
- THeBaNDiT
- moderátor

- Príspevky: 6299
- Dátum registrácie: Ut Aug 08, 2006 8:23 am
- Skúter: je už minulosť
- Bydlisko: Bardejov
- Kontaktovať užívateľa:
Re: pri davani zadneho kolesa dole sa ono nechce pustit osky
trosku OT v spoileri:
Spoiler: ukázať
- THeBaNDiT
- moderátor

- Príspevky: 6299
- Dátum registrácie: Ut Aug 08, 2006 8:23 am
- Skúter: je už minulosť
- Bydlisko: Bardejov
- Kontaktovať užívateľa:
Re: pri davani zadneho kolesa dole sa ono nechce pustit osky
takze po tom, co to v Yamaha servise zlozili nazad do povodneho stavu, brat trocha s XC pojazdil a dnes dorucil XC tomu nasmu strykovi kutilovi, zrucnemu to majstrovi. A koleso je dole, islo to vraj velmi lahko.
Foto:
Stycne plochy sa ocistia od hrdze a nasledne namazu specialnou vazelinou... Koleso chcel brat prezut v profi pneuservise v BJ, ale oni vraj taketo kolesa nevyvazuju (hanba), takze pojde s kolesom opat do Yamahy, kde mu to bez problemov aj vyvazia...
Stycne plochy sa ocistia od hrdze a nasledne namazu specialnou vazelinou... Koleso chcel brat prezut v profi pneuservise v BJ, ale oni vraj taketo kolesa nevyvazuju (hanba), takze pojde s kolesom opat do Yamahy, kde mu to bez problemov aj vyvazia...
- THeBaNDiT
- moderátor

- Príspevky: 6299
- Dátum registrácie: Ut Aug 08, 2006 8:23 am
- Skúter: je už minulosť
- Bydlisko: Bardejov
- Kontaktovať užívateľa:
Re: pri davani zadneho kolesa dole sa ono nechce pustit osky
brat mi medzicasom poslal dalsie fotky, tu su:
- Prílohy
-
- DSC_2800 crop resized.jpg
- detail zahrdzavenia
- (188.73 KiB) 100 stiahnutí
-
- DSC_2803 crop resized.jpg
- ocistene od hrdze
- (167.45 KiB) 100 stiahnutí

